Выпрямительная подстанция КВПП

Комплектные выпрямительные полупроводниковые подстанции КВПП
КВПП предназначена для энергоснабжения потребителей постоянного тока напряжением 230 В, питания цеховых сетей промышленных предприятий постоянным током, в том числе электропривода.
В состав подстанции входят:
- трансформаторы преобразовательные;
- секции преобразовательные;
- шкафы с автоматами;
- шинные мосты.
Структура условного обозначения

Технические характеристики КВПП
|
Наименование параметра |
Значение |
| Исполнение по количеству агрегатов |
одноагрегатная, двухагрегатная, трехагрегатная |
| Номинальный ток агрегата, А |
1000, 1250, 2000, 4000 |
| Конструктивное исполнение агрегатов |
левое, правое |
| Удаленное управление высоковольтным выключателем и выключателями отходящих линий |
по интерфейсу RS485, cухими контактами |
| Передача на верхний уровень по интерфейсу RS 485 параметров |
I, U, P, контроль изоляции |
Трансформатор
В КВПП в качестве трансформатора применятются:
RESIBLOC (250, 400, 630, 1000, 1600, 2500) кВА – для мостовой схемы выпрямления и нулевой схемы выпрямления с уравнительным реактором.
ТСЗПУ-(1000, 2000) /10 ГТ У3 – для нулевой схемы выпрямления с уравнительным реактором.
Трансформаторы RESIBLOC имеют оригинальную конструкцию первичной и вторичных обмоток, выполняемых из медного провода и алюминиевой фольги.
Бандажируются обмотки стекловолоконной нитью, пропитанной эпоксидным компаундом. Трансформаторы RESIBLOC® способны выдерживать максимальные колебания температурных расширений без повреждения поверхности компаунда и без образования микротрещин. Это единственные сухие трансформаторы, способные работать при температурах до минус 60 °С. Трансформаторы работают в условиях 100 % влажности и в условиях конденсации водяных паров, а также в условиях химического загрязнения.
Трансформаторы могут быть оснащены радиальными вентиляторами с низким уровнем шумов. Система охлаждения позволяет увеличить номинальную мощность трансформаторов вплоть до 40 %. Устойчивость обмоток трансформатора к механическим нагрузкам составляет 650 – 750 Н/мм2. Все компоненты трансформаторов прошли испытания на отсутствие токсичности. Все материалы негорючие и не поддерживают процесс горения. Степень защиты трансформаторов - IP00, IP21, IP23, IP54 по ГОСТ 14254-96.
Трансформатор RESIBLOC® допускает перегрузку до тех пор, пока наиболее горячая точка нагрева трансформатора не достигнет 155°С. По желанию заказчика трансформаторы поставляются с электронным блоком контроля температуры. Блок снабжен двумя уставками – РТС на 140 °С – сигнал тревоги, РТС на 155 °С – выключение нагрузки. Возможна также третья уставка – РТС 130 ° С – включение принудительной вентиляции.
Секция преобразовательная В-ТПЕД
При разработке и изготовлении выпрямителей серии В-ТПЕД нового поколения использовались новейшие достижения отечественных и западных технологий. Это касается как конструкции шкафа, силовой части преобразователя, так и электрического монтажа, схемных и технологических решений систем защиты, диагностики и управления выпрямителем, технологии обслуживания и ремонта.
Преобразовательные секции производятся по «нулевой» схеме с уравнительным реактором и трехфазной «мостовой» схемам выпрямления:
-
Трехфазная мостовая схема выпрямления на токи 1000 А,1250 А, 2000 А, 4000 А.
-
Трехфазная нулевая схема выпрямления с уравнительным реактором на токи 1000 А, 2000 А, 4000 А.
Преобразовательные секции серии В-ТПЕД построены на силовых таблеточных диодах 2500 А 25-го класса производства компании VISHAY. Охлаждение ПС – воздушное естественное.
Деление тока по параллельным ветвям - принудительное, осуществляется с помощью эффективных индуктивных делителей, обеспечивающих деление токов между параллельными ветвями не хуже 5%. Таким образом, в процессе эксплуатации преобразователей, в случае замены силового диода – нет необходимости в подборе диодов по прямому и обратному падению напряжения.
Равномерность деления токов сохраняется также в процессе эксплуатации при естественном уходе параметров силовых диодов. Это важный критерий надежности и отсутствия необходимости периодического контроля оборудования в процессе эксплуатации.
Секции преобразовательные В-ТПЕД оснащены микропроцессорной системой управления и диагностики, которая обеспечивает :
- контроль за состоянием каждого диода по четырем ступеням (нормальная работа, ухудшение параметров, пробой и обрыв);
- контроль и сигнализацию о недопустимой температуре внутри шкафа выпрямительной секции (при неисправностях, ненадежных контактных соединениях и др.), благодаря встроенному датчику температуры;
- электронный энергонезависимый отчет о работе выпрямителя на период до 100 дней;
- связь с системой верхнего уровня по интерфейсу RS485, RS232.
Шкафы с автоматами
Шкафы с автоматами предназначены для питания и защиты цепей постоянного тока напряжением 230 В крановых подстанций металлургических предприятий
Типоисполнение:
ШЛА – шкаф линейных автоматов;
ШВА – шкаф вводных автоматов;
ШСА – шкаф секционных автоматов.
Шкафы с автоматами имеют в своем составе автоматические выключатели ведущих европейских производителей (ABB, Schneider Electric) , которые обладают следующими преимуществами:
- выкатное исполнение;
- высокая коммутирующая способность до 65 кА;
- электронный расцепитель;
- два канала питания;
- конденсаторная батарея поддержки питания расцепителя до 5с.
Технические характеристики
|
Наименование параметра |
Значение |
| Назначение шкафа |
Л-линейный, С-секционный, В-вводный |
| Номинальный ток выключателя, In, А |
800, 1000, 1250, 1600, 2000, 2500, 3200, 4000 |
| Номинальный ток расцепителя автомата, А |
(0.6…1.0)*In |
| Ток уставки макс. расцепителя, А |
(1,5; 2,5; 4; 8)*In |
| Исполнение |
правое, левое |
| Присоединение отходящей линии |
шина, кабель |
| Обслуживание |
одностороннее, двустороннее |
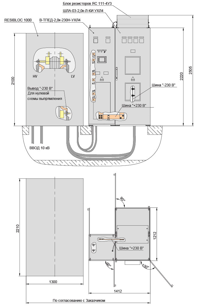
Пример конструктивного расположения одноагрегатной КВПП-2,0к-230 УХЛ4
с трансформатором RESIBLOC 1000, преобразовательной секцией В-ТПЕД-2,0к-230Н УХЛ4, с одним шкафом линейных автоматов. Присоединение - кабелями. Шкаф линейных автоматов с двухсторонним обслуживанием.

Загрузить документы
Комплектные выпрямительные полупроводниковые подстанции КВПП (2.263
Мб) скачать
Главная
Карта сайта

